
YB-201/251精密压力表主要用来校验工业用普通压力表及其它具有压力参数的各种仪器仪表;亦可用于精密测量无腐蚀性介质的压力。
精密压力表结构原理:
由测压系统、传动机构、指示装置和外壳组成。精密压力表的测压弹性元件经特殊工艺处理,使精密压力表性能稳定可靠,与高精度的传动机构配套调试后,能确保精确的指示精度。
精密压力表工作原理:
当被测介质的压力作用于弹性元件后,使其产生弹性变形—位移,经拉杆带动传动机构放大,由指示装置指示被测压力。
精密压力表主要技术参数:
精确度等级:0.25。
使用环境条件:0~40℃,相对湿度不大于80%,也可在-30~50℃的任一恒定温度条件下使用。
温度影响:使用环境温度如偏离20±5℃时,误差变化不大于0.1%10℃。
测量范围:(MPa)
0~0.1;0~0.16;0~0.25;0~0.4;0~0.6;0~1;
0~1.6;0~2.5;0~4;0~6;0~10;0~16;0~25
注:0.25 Mpa以下的规格只适宜测量气体压力
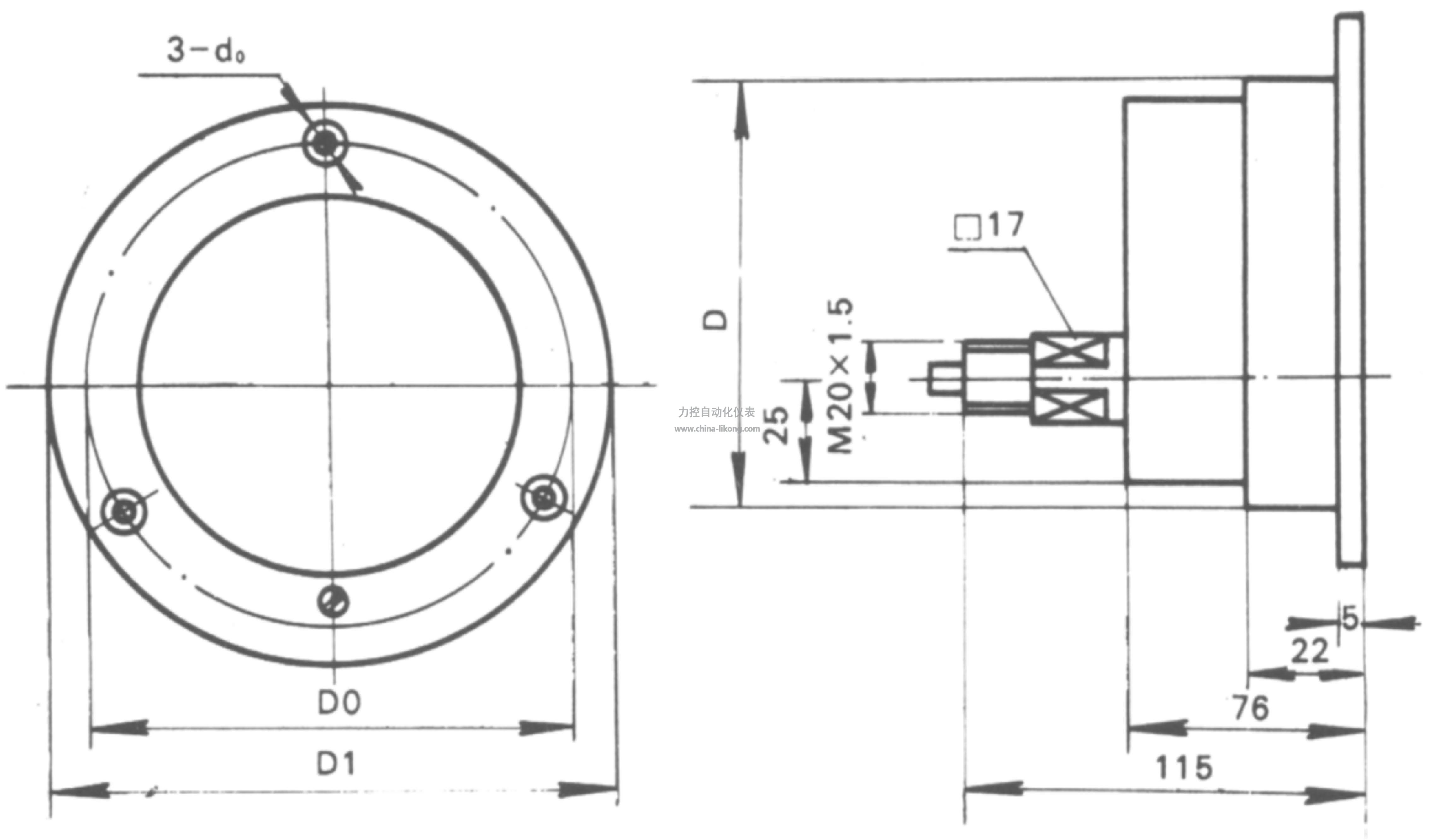
精密压力表外形尺寸: 单位:mm

我公司专业生产真空压力表、膜盒压力表、精密数字压力表、电阻远传压力表、双针压力表、膜片压力表、氨用压力表、氮气压力表等系列压力表产品;公司免费提供技术咨询!
公司网站:http://www.china-likong.com/
微信扫一扫关注下面公众号,免费接收更多内容
