
YN系列耐震压力表具有良好的抗振性能,特别适用于环境剧烈振动场所,可耐受介质的脉动,冲击及突然卸荷。
不锈钢耐震压力表可测量无爆炸危险、无结晶体、不凝固以及对铜合金不起腐蚀作用的液体、气体、蒸汽等介质的压力。
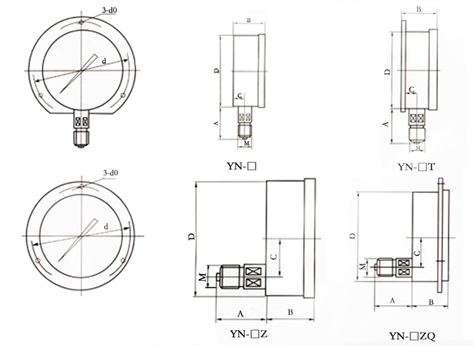
耐震压力表技术参数:
1.压力表执行标准:Q/320211 DGH01-2003
2.耐震压力表型号表示:
| 型号 | 结构形式 | 精度(%) | 压力范围(MPa) | 使用环境条件 |
| YN-50Z | 轴向无边 | ±2.5 | 0~0.16 0~0.25 0~0.4 0~0.6 0~1.0 0~1.6 0~2.5 0~4 0~6 0~10 0~16 0~25 0~40 0~60 0~100 | 周围环境温度为: -5~55℃;-25~55℃。 使用工作环境振动频率 不大于25Hz,振幅不大于1mm |
| YN-60 | 径向无边 | |||
| YN-60T | 径向带后边 | |||
| YN-60Z | 轴向无边 | |||
| YN-60ZT | 轴向带前边 | |||
| YN-100 | 径向无边 | ±1.6 | 0~0.16 0~0.25 0~0.4 0~0.6 0~1.0 0~1.6; 0~2.5 0~4 0~6 0~10 0~16 0~25 0~40 0~60 | |
| YN-100T | 径向带后边 | |||
| YN-100Z | 轴向无边 | |||
| YN-100ZT | 轴向带前边 | |||
| YN-150 | 径向无边 | |||
| YN-150T | 径向带后边 | |||
| YN-150Z | 轴向无边 | |||
| YN-150ZT | 轴向带前边 |
| 型号 | 外形尺寸(mm) | ||||||
| A | B | C | D | d | d0 | M | |
| YN-50Z | 29 | 24 | 0 | ø50 | - | - | M10×1 |
| YN-60 | 31 | 32 | 14 | ø60 | - | - | M14×1.5 |
| YN-60T | 31 | 32 | 15 | ø75 | ø3.4 | ||
| YN-60Z | 30 | 32 | 0 | - | - | ||
| YN-60ZT | 30 | 32 | 0 | ø75 | ø3.4 | ||
| YN-100 | 44 | 45 | 18 | ø100 | - | - | M20×1.5 |
| YN-100T | 44 | 46 | 19 | ø118 | ø5.5 | ||
| YN-100Z | 43 | 45 | 34 | - | - | ||
| YN-100ZT | 43 | 45 | 44 | ø118 | ø5.5 | ||
| YN-150 | 50 | 47 | 19 | ø150 | - | - | M20×1.5 |
| YN-150T | 50 | 48 | 20 | ø165 | ø5.5 | ||
| YN-150Z | 51 | 47 | 55 | - | - | ||
| YN-150ZT | 51 | 47 | 55 | ø165 | ø5.5 | ||
我公司专业生产真空压力表、膜盒压力表、精密数字压力表、电阻远传压力表、双针压力表、膜片压力表、氨用压力表、氮气压力表等系列压力表产品;公司免费提供技术咨询!
公司网站:http://www.china-likong.com/
微信扫一扫关注下面公众号,免费接收更多内容
